

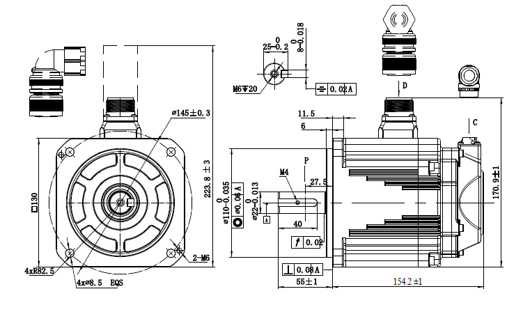
Rated voltage 220VAC, rated power 1300W
Frame 130mm, rated torque 8.34N·m, rated speed 1500r/min
23-bit optical encoder
No brake, aviation connector
Strong overload capacity
IP67
The AC servo motors are designed by Leadshine with own intellectual property rights. The servo motors use rare earth neodymium-iron-boron permanent magnet rotors, provide features of high torque density, high peak torques, low noise, low temperature rising, lower current consumption. The motors power range from 850W to 1800W.