

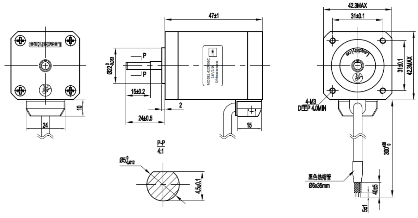
2 phase, NEMA 17 frame size
47 mm (1.85 inch) long
2.5 A phase current
0.6 N.m (85 oz-in) holding torque
5 mm (0.197 inch) shaft size
Built with high quality materials including bearings and shaft made by Japanese manufacturers
High precision, low motor heating, and low vibration
The CM series stepper motors can be implemented in many industrial motion control applications. Built with premium quality materials including bearings and shaft made by famous manufacturers, they can move the attached load at high precision and with very low motor heating & vibration.