

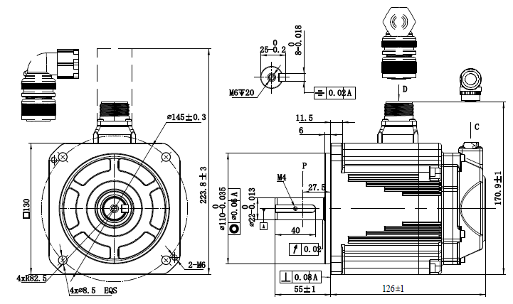
● Rated voltage 400VAC, rated power 850W
● Frame 130mm, rated torque 5.34N·m, rated speed 1500r/min
● 23-bit optical encoder
● No brake, aviation connector
● Strong overload capacity
● IP67
The AC servo motors are designed by Leadshine with own intellectual property rights. The servo motors use rare earth neodymium-iron-boron permanent magnet rotors, provide features of high torque density, high peak torques, low noise, low temperature rising, lower current consumption. The motors power range from 850W to 1800W.