

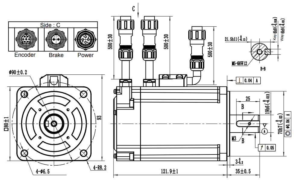
● Rated voltage 48V, rated power 750W
● Frame 80mm, rated torque 2.39N·m, rated speed 3000r/min
● With brake
● Insulation class: Class F
● 17 bit multi-turn absolute magnetic encoder
● IP65
The ELVM series is a new low voltage servo motor series designed by LeadShine with own intellectual property rights. The servo motors provide features of short length, high torque density, high peak torques, low noise, low temperature rising and IP65 protection. The servo motors power range from 50W to 1000W, with 2500-Line incremental encoder or 17-bit absolute encoder.